腾宇改变未来的每一天
每一天都会带来改变,每一天品质都会实现
-
产品名称:SC标准型 FA-FB法兰(ISO6430)
- 服务热线:0577-57123111
- EMAIL:273620184@qq.com
- Q Q:

PDF文档下载
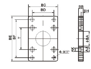
外部尺寸
| 符号|缸径 |
32 |
40 |
50 |
63 |
80 |
100 |
125 |
160 |
200 |
| BA |
28.3 |
32.3 |
38.3 |
38.3 |
47.3 |
47.3 |
56 |
63 |
81 |
| BB |
10 |
10 |
10 |
12 |
16 |
16 |
20 |
25 |
25 |
| BC |
47 |
52 |
65 |
76 |
95 |
115 |
140 |
180 |
220 |
| BD |
33 |
36 |
47 |
56 |
70 |
84 |
90 |
115 |
135 |
| BE |
72 |
84 |
104 |
116 |
143 |
162 |
224 |
280 |
320 |
| BF |
58 |
70 |
86 |
98 |
119 |
138 |
180 |
230 |
270 |
| BH |
6.5 |
6.5 |
6.5 |
8.5 |
10.5 |
10.5 |
15 |
20 |
20 |
| AJ |
10.5 |
10.5 |
13.5 |
13.5 |
5 |
5 |
19 |
25 |
25 |
| AK |
6.5 |
6.5 |
6.5 |
8.5 |
10.5 |
10.5 |
12.5 |
16.5 |
16.5 |
| BP |
7 |
7 |
9 |
9 |
11 |
11 |
16 |
18 |
22 |
| T |
33 |
37 |
47 |
56 |
70 |
84 |
110 |
140 |
175 |