产品特性
* 最大允许负载比CXS系列大2~3倍。
* 双气缸设计,2倍输出力。
* 不回转精度高。
* 侧面负载抵抗力强。
* 标准带行程调整装置0~-10mm。
* 双气缸设计,2倍输出力。
* 不回转精度高。
* 侧面负载抵抗力强。
* 标准带行程调整装置0~-10mm。
每一天都会带来改变,每一天品质都会实现
| 缸径mm | 6 | 10 | 16 | 20 | 25 | 32 |
| 动作方式 | 双作用 | |||||
| 使用流体 | 空气 | |||||
| 最高使用压力 | 0.7MPa | |||||
| 最低使用压力 | 0.15MPa | 0.1MPa | ||||
| 环境和流体温度 | -10~60℃(但未冻结) | |||||
| 使用活塞速度 | 50~500mm/s | |||||
| 缓冲 | 两端橡胶缓冲 | |||||
| 接管口径 | M5x0.8 | Rc1/8 | ||||
| 轴承 | 滑动轴承/球轴承 | |||||
| 给油 | 不需要 | |||||
| 行程调整范围 | 0~-10mm | |||||

| 型号 | S | SS | ZZ | Z | W |
| 6-10 | 10 | 66 | 103 | 40 | 46 |
| 6-20 | 20 | 76 | 123 | 50 | 56 |
| 6-30 | 30 | 86 | 143 | 60 | 66 |
| 6-40 | 40 | 96 | 163 | 70 | 76 |
| 6-50 | 50 | 106 | 183 | 80 | 86 |
| 型号 | S | SS | ZZ | Z | |
| 标准 行程 |
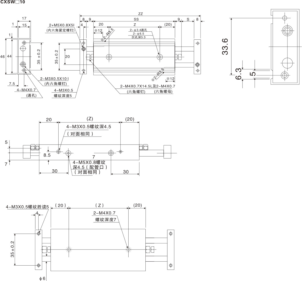
10-10 | 10 | 92 | 136 | 52 |
| 10-20 | 20 | 102 | 156 | 62 | |
| 10-30 | 30 | 112 | 176 | 72 | |
| 10-40 | 40 | 122 | 196 | 82 | |
| 10-50 | 50 | 132 | 216 | 92 | |
| 长行程 (-XB11) |
10-70 | 70 | 157 | 266 | 117 |
| 10-100 | 100 | 182 | 316 | 142 | |
| 10-125 | 125 | 207 | 366 | 167 | |
| 10-150 | 150 | 232 | 416 | 192 |
| 型号 | S | SS | ZZ | Z | |
| 标准 行程 |
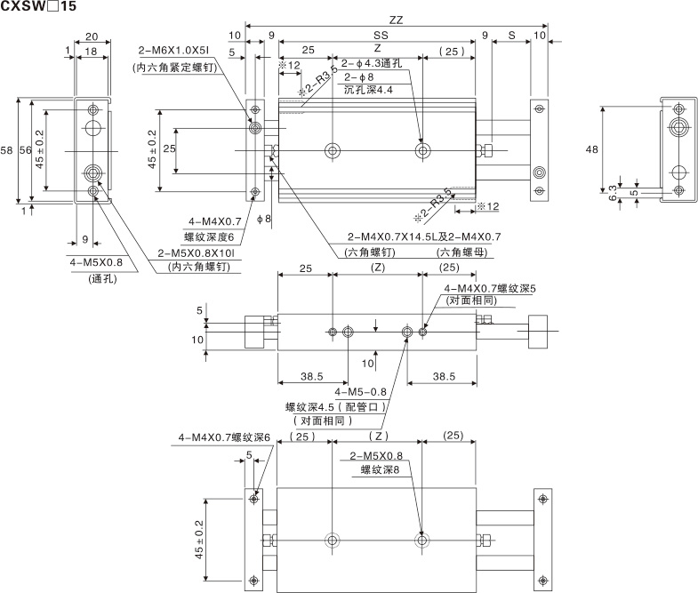
15-10 | 10 | 105 | 153 | 55 |
| 15-20 | 20 | 115 | 173 | 65 | |
| 15-30 | 30 | 125 | 193 | 75 | |
| 15-40 | 40 | 135 | 213 | 85 | |
| 15-50 | 50 | 145 | 233 | 95 | |
| 长行程 (-XB11) |
15-70 | 70 | 170 | 283 | 120 |
| 15-100 | 100 | 195 | 333 | 145 | |
| 15-125 | 125 | 220 | 383 | 170 | |
| 15-150 | 150 | 245 | 433 | 195 |
| 型号 | S | SS | ZZ | Z | |
| 标准 行程 |
20-10 | 10 | 120 | 178 | 60 |
| 20-20 | 20 | 130 | 198 | 70 | |
| 20-30 | 30 | 140 | 218 | 80 | |
| 20-40 | 40 | 150 | 238 | 90 | |
| 20-50 | 50 | 160 | 258 | 100 | |
| 20-70 | 70 | 185 | 308 | 125 | |
| 20-100 | 100 | 210 | 358 | 150 | |
| 长行程 (-XB11) |
20-125 | 125 | 235 | 408 | 175 |
| 20-150 | 150 | 260 | 458 | 200 | |
| 20-175 | 175 | 285 | 508 | 225 | |
| 20-200 | 200 | 310 | 558 | 250 |
| 型号 | S | SS | ZZ | Z | |
| 标准 行程 |
25-10 | 10 | 122 | 180 | 62 |
| 25-20 | 20 | 132 | 200 | 72 | |
| 25-30 | 30 | 142 | 220 | 82 | |
| 25-40 | 40 | 152 | 240 | 92 | |
| 25-50 | 50 | 162 | 260 | 102 | |
| 25-70 | 70 | 187 | 310 | 127 | |
| 25-100 | 100 | 212 | 360 | 152 | |
| 长行程 (-XB11) |
25-125 | 125 | 237 | 410 | 177 |
| 25-150 | 150 | 262 | 460 | 202 | |
| 25-175 | 175 | 287 | 510 | 227 | |
| 25-200 | 200 | 312 | 560 | 252 |
| 型号 | S | SS | ZZ | Z | |
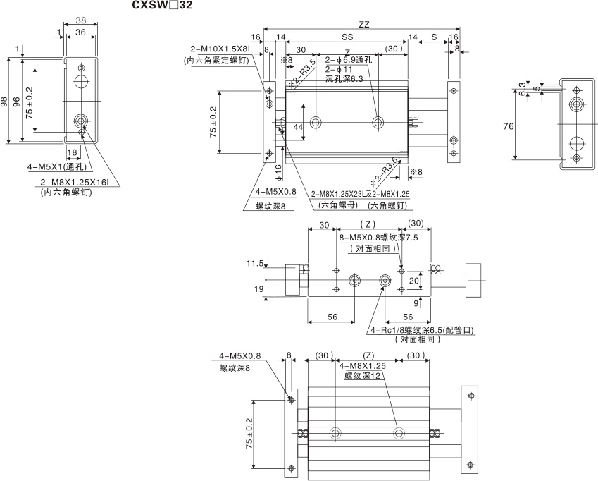
| 标准 行程 |
32-10 | 10 | 143 | 213 | 83 |
| 32-20 | 20 | 153 | 233 | 93 | |
| 32-30 | 30 | 163 | 253 | 103 | |
| 32-40 | 40 | 173 | 273 | 113 | |
| 32-50 | 50 | 183 | 293 | 123 | |
| 32-70 | 70 | 208 | 343 | 148 | |
| 32-100 | 100 | 233 | 393 | 173 | |
| 长行程 (-XB11) |
32-125 | 125 | 258 | 443 | 198 |
| 32-150 | 150 | 283 | 493 | 223 | |
| 32-175 | 175 | 308 | 543 | 248 | |
| 32-200 | 200 | 333 | 593 | 273 |



