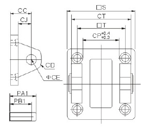
外部尺寸
| 符号|缸径 | 32 | 40 | 50 | 63 | 80 | 100 | 125 | 160 | 200 |
| CC | 22 | 25 | 27 | 32 | 36 | 41 | 50 | 55 | 60 |
| CD | 10 | 11 | 13 | 16 | 16 | 20 | 25 | 30 | 30 |
| CE | 10 | 12 | 12 | 16 | 16 | 20 | 25 | 30 | 30 |
| CJ | 14 | 17 | 17 | 22 | 24 | 25 | 30 | 35.5 | 36 |
| CP | 26 | 28 | 32 | 40 | 50 | 60 | 70 | 90 | 90 |
| CT | 45 | 52 | 60 | 70 | 90 | 110 | 130 | 170 | 170 |
| PA1 | 51 | 59 | 67 | 77 | 97 | 119 | 139 | 181 | 181 |
| PB1 | 45.5 | 52.5 | 60.5 | 70.5 | 90.5 | 110.5 | 130.5 | 170.5 | 170.5 |
| S | 45 | 52 | 65 | 75 | 97 | 112 | 140 | 180 | 220 |
| T | 32.5 | 38 | 46.5 | 56.5 | 72 | 89 | 110 | 140 | 175 |


