腾宇改变未来的每一天
每一天都会带来改变,每一天品质都会实现
-
产品名称:ISO-接头/销子/卡扣
- 服务热线:0577-57123111
- EMAIL:273620184@qq.com
- Q Q:

PDF文档下载
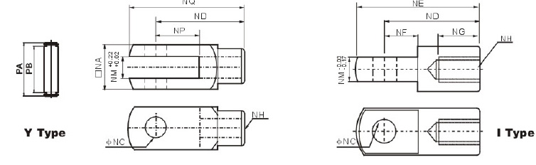
外部尺寸
| 符号|缸径 |
32 |
40 |
50 |
63 |
80 |
100 |
125 |
160 |
200 |
| NA |
19 |
25.4 |
32 |
32 |
44.4 |
44.4 |
55 |
70 |
70 |
| NC |
10 |
12 |
16 |
16 |
20 |
20 |
30 |
35 |
35 |
| ND |
40 |
48 |
64 |
64 |
80 |
80 |
110 |
144 |
144 |
| NE |
52 |
67 |
89 |
89 |
112 |
112 |
155 |
201 |
201 |
| NF |
15 |
24 |
32 |
32 |
40 |
40 |
50 |
50 |
55 |
| NG |
20 |
20 |
23 |
23 |
30 |
30 |
56 |
72 |
72 |
| NH |
M10x1.25 |
M12x1.25 |
M16x1.5 |
M16x1.5 |
M20x1.5 |
M20x1.5 |
M27x2.0 |
M36x2.0 |
M36x2.0 |
| NM |
10 |
12 |
16 |
16 |
20 |
20 |
30 |
35 |
35 |
| NP |
20 |
24 |
32 |
32 |
40 |
40 |
54 |
72 |
72 |
| NQ |
52 |
62 |
83 |
83 |
105 |
105 |
148 |
191 |
191 |
| PA |
26.2 |
32.8 |
39.3 |
39.3 |
53.3 |
53.3 |
64 |
80 |
80 |
| PB |
20 |
26.5 |
33 |
33 |
45 |
45 |
55.6 |
70.6 |
70.6 |